Binapani – 148, Shivaji Nagar, Nagpur
Maharera No. P50500077413
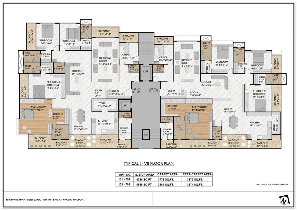
This project consists of 14 spacious, four-bedroom luxury apartments, each ranging between 4,545 sq. ft. and 4,780 sq. ft. These exclusive residences are designed to provide a blend of elegance and functionality, with features such as a dedicated home office, servant room, and a range of modern amenities. The project is in its initial construction phase and promises to set a new standard for premium residential living in Nagpur.
Overview
Bedrooms4
Garages2
Office1
Bathrooms7
Year Built2025
Servant Room1
Area3773/3551 sq ft
S B/up Area4780/4545 sq ft
About This Property
This project features a robust RCC-framed structure with M25-grade concrete and IS-standard designs, incorporating burnt brick masonry for walls. The doors are crafted from non-teak wood with laminated flush finishes, and fully glazed UPVC windows are equipped with painted MS grills. Flooring includes vitrified tiles (600x1200mm) for rooms, non-skid tiles for balconies, and ceramic tiles for bathrooms. Premium Jaquar/Cera/Parryware sanitary fixtures are complemented by hot and cold water systems, CPVC pipes, and standard S.W.R. fittings.
All rooms feature putty-finished walls painted with Asian/Berger emulsion, while external waterproof acrylic paints ensure durability. Ceilings have a plaster of Paris finish with downlighters. The kitchen includes a granite countertop with stainless steel sinks, tiled dado, and concealed electrical wiring with modular Legrand switches. Amenities include MCB wiring, fire safety systems, inverter provisions, automatic elevators, and diesel backup generators.
The project emphasizes eco-friendly designs with rainwater harvesting, dual-flush systems, and photovoltaic solar panels for common areas. Additional amenities include parking for two cars per unit, CCTV surveillance, video door phones, security cabins with intercoms, landscaped spaces, a rooftop kitchen, and a society office. Essential utilities include water storage tanks (30,000 liters each), pressure pumps, and Jio networks, aligning with NMC norms.
Features & Amenities
Parking (2 cars)
Video door phone
Solar panel
Guards with room
Electric car charging
Ground water sump
CCTv
Jio cable network
Rain water harvesting




